Publish your products
LVRC8WSK Elkay ezH2O®  Vandal-Resistant Bottle Filling Station & Single Cooler Filtered Refrigerated Stainless
LVRC8WSK Elkay ezH2O®  Vandal-Resistant Bottle Filling Station & Single Cooler Filtered Refrigerated Stainless
LVRC8WSK Elkay ezH2O®  Vandal-Resistant Bottle Filling Station & Single Cooler Filtered Refrigerated Stainless
LVRC8WSK Elkay ezH2O®  Vandal-Resistant Bottle Filling Station & Single Cooler Filtered Refrigerated Stainless
LVRC8WSK Elkay ezH2O®  Vandal-Resistant Bottle Filling Station & Single Cooler Filtered Refrigerated Stainless
LVRC8WSK Elkay ezH2O®  Vandal-Resistant Bottle Filling Station & Single Cooler Filtered Refrigerated Stainless
    Elkay

    LVRC8WSK Elkay ezH2O® Vandal-Resistant Bottle Filling Station & Single Cooler Filtered Refrigerated Stainless

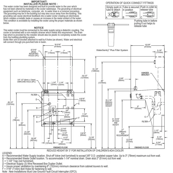
    LVRC8WSK Elkay ezH2O® Vandal-Resistant Bottle Filling Station & Single Cooler Filtered Refrigerated Stainless. Chilling Capacity of 8.0 GPH (gallons per hour) of 50 F drinking water, based on 80 F inlet water and 90 F ambient, per ASHRAE 18 testing. Features shall include Filtered, Green Ticker™, Laminar Flow, Real Drain, Vandal Resistant, Visual Filter Monitor. Furnished with Vandal Resistant bubbler. Electronic Bottle Filler Button with Mechanical Front Bubbler Button activation. Product shall be Wall Mount (On Wall), for Indoor applications, serving 1 station(s). Unit shall be certified to UL 399 and CAN/CSA C22.2 No. 120.

    Compliance:

      • ADA & ICC A117.1
      • ASME A112.19.3/CSA B45.4
      • CAN/CSA C22.2 No. 120 
      • GreenSpec®
      • NSF 42
      • NSF 53
      • NSF 61 (Q≤1)
      • NSF 372 (lead free)
      • NSF 401
      • UL 399

      Features:

      • Ideal for heavy-use installations such as educational and indoor recreational facilities.
      • Hermetically sealed refrigeration system provides chilled water to satisfy thirst.
      • Vandal-resistant, push-button activation for both the bottle filler and the water cooler.
      • Fill rate is 1.1 GPM.
      • Visual filter monitor with LED filter status indicator for when filter change is necessary.
      • The 3,000-gallon filter is certified to NSF 42 and 53 for lead, Class 1 particulate, chlorine, taste and odor reduction.
      • Green Ticker™ informs user of number of 20 oz. plastic water bottles saved from waste.
      • Laminar flow provides clean fill with minimal splash.
      • Vandal-resistant bubblers feature chrome-plated integral hood guard to prevent contamination from other users, airborne deposits and tampering.
      • Rated for indoor use.

      Keywords: elkay ezh2o manual, elkay water fountain pressure adjustment, drinking fountain water pressure adjustment, residential bottle filler, drinking fountain pressure adjustment, water fountain no water coming out, water fountain ezh20, Vandal-Resistant Bottle Filling Station, Single Cooler, Laminar Flow, Real Drain, Vandal Resistant,Visual Filter Monitor, GreenSpec, VRC Family

      Specification

      Technical specification
      • Unique ref.LVRC8WSK
      • Product familyBOTTLE FILLING STATION
      • Product groupVRC Family
      • TypeObject (single object)
      • Date of publishing2022-08-19
      • Edition number2
      • Height (inches)38.81
      • Width (inches)18.63
      • Depth (inches)18
      Related
      • Material mainStainless steel
      • Designed inUnited States
      Classification
      • BIMobject CategorySanitary - Drinking fountains

      Region availability

      North America
      Anguilla
      Antigua and Barbuda
      Aruba
      Barbados
      Belize
      Bermuda
      British Virgin Islands
      Canada
      Caribbean Netherlands
      Cayman Islands
      Collectivity of Saint Martin
      Costa Rica
      Cuba
      Curaçao
      Dominica
      Dominican Republic
      El Salvador
      Greenland
      Grenada
      Guadeloupe
      Guatemala
      Haiti
      Honduras
      Jamaica
      Martinique
      Mexico
      Montserrat
      Nicaragua
      Panama
      Puerto Rico
      Saint Kitts and Nevis
      Saint Lucia
      Saint Pierre and Miquelon
      Saint Vincent and the Grenadines
      Saint-Barthélemy
      Sint Maarten
      The Bahamas
      Trinidad and Tobago
      Turks and Caicos Islands
      U.S. Virgin Islands
      United States
      Common.Footer.ValueProp.Image.AltText

      Design App for Revit

      Load families straight into your Revit model in one click

      Get a place to access new objects easier, store your Revit families and collaborate with your team.

      • CheckmarkWork directly with BIM objects next to Revit
      • Checkmark 2GB Cloud storage - store your Revit content
      • Checkmark Get embodied-carbon LCA (A1-A3) straight from Revit